

行业应用
煤矿机械
必发集团app官网下载入口网易标题:解读广西6901轴承:特点、应用和性能分析在工业制造领域,轴承是一种常见且关键的零部件,其中广西6901轴承作为一种性能出色的产品,备受关注
必发7790电子集团线上平台小红书《轴承台板:全面解析轴承台板的特点、用途和选购技巧》在工业和机械领域中,轴承台板是一种至关重要的零部件,承载着机器设备的重量,并确保其正常运转
7790必发官网登录金山办公优质轴承吸附装置:性能卓越,安装简便,应用广泛在工业生产和制造过程中,轴承是一种重要的机械零件,其质量和性能直接影响到设备的稳定运行
必发集团app下载安装百度众测探秘轴承板车玩具的魅力轴承板车玩具是近年来备受玩具车迷青睐的一款热门产品,其独特的设计和功能让它成为许多玩家追捧的对象
7790必发集团app客服天键股份老式轴承: 持久经典之选,如何正确维护?作为机械设备中不可或缺的重要组成部分,轴承在各种各样的机械设备中都发挥着至关重要的作用
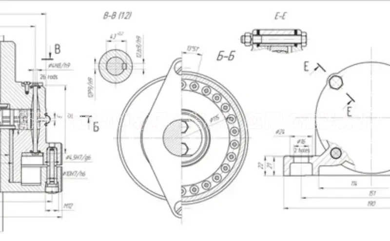
必发集团电游雷柏科技**深度解析凹凸轴承冲压工艺:技术、应用与优势**凹凸轴承冲压工艺作为一种先进的制造技术,在工业生产中发挥着重要作用
必发电子游戏官网度小满支付深度解析73449轴承的技术参数,助您了解轴承选择要点73449轴承作为机械设备中常用的关键零部件之一,其技术参数的理解对于正确选择和使用轴承至关重要
必发集团官网度小满理财:全面解析福康轴承:产品特点、应用领域与选购指南在工业领域,轴承是非常重要的机械零件,它们被广泛应用于各种机械设备中,起着支撑和减少摩擦的重要作用
7790必发集团app客服天键股份深度解析兴微轴承:全面了解其特点、应用及优势兴微轴承作为一种高性能的机械传动元件,其在各种机械设备中发挥着重要的作用
必发集团welcome欢迎光临如流洛阳柔性轴承是一种高质量、长寿命的设备配件,能够提升设备的效能和稳定性