.webp)
.webp)
必发集团新闻中心
轴承知识
当选择优质的轴承圆度仪厂家时,信誉、产品质量和售后服务是至关重要的因素
轴承内外固定在机械加工中起着至关重要的作用,它直接影响着设备的使用寿命、性能稳定性以及安全性
:瓷绝缘轴承:技术革新助力高性能汽车行业更上一层楼在高性能汽车领域,瓷绝缘轴承技术的革新正在成为引领行业发展的关键因素
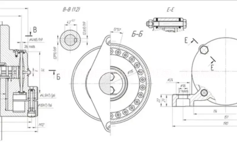
新宝来轴承作业:打造卓越品质,领跑行业潮流作为轴承行业的领军企业,新宝来轴承一直致力于打造卓越品质,领跑行业潮流
:蚌埠轴承直营 | 专业轴承销售,品质保证,价格优惠!在当今市场竞争激烈的行业中,选择一家值得信赖的轴承直营商是至关重要的
标题:全面解析轴承22313规格:性能特点、适用范围及选购指南在工业生产和机械制造领域中,轴承被广泛应用,其中22313型号的轴承是一种常见的规格
轴承直管是工业生产中常见的机械零部件,起着重要的支撑和轴向导向作用
国华轴承机械一直致力于领先行业的技术创新和品质保证,为客户提供卓越的产品和服务
标题:如何正确进行扳手轴承改装?技巧大揭秘!在汽车维修保养中,扳手轴承改装是一个常见的操作,正确的改装可以提高汽车性能和安全性
《SolidWorks轴承图教程:详细步骤讲解,助你轻松上手!》是一篇致力于帮助用户学习SolidWorks软件中如何绘制轴承图的教程